SAC-30シリーズ
SAC-30A、SAC-30B、SAC-30C、SAC-30D

- ダイナミックスピーカー
- 洗浄不可品
- 高耐熱
- 車載用
- ※洗浄不可品に関しては, 半田槽でのディップ半田に対応できません。
仕様
| SAC-30 シリーズ | |
|---|---|
| 定格電力(W) | 0.2 |
| インピーダンス(Ω) | 8/30/45 |
| 最低共振周波数(Hz) | - |
| ※ 音圧レベル(dB/10cm) | ≧86 |
| 動作温度範囲 (℃) | -40 ~ +105 |
| 保存温度範囲 (℃) | -40 ~ +120 |
| 質量(g) | 8.3 |
※については定格電力(sine波、440~2.2KHz)印加時の値。
周波数特性図
(SAC-30A)

外径寸法図(size: φ32×18mm)
(SAC-30A)

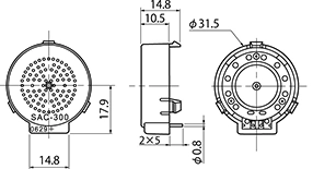
外径寸法図(size: φ37×16.5mm)
(SAC-30B)

外径寸法図(size: φ33.8×7mm)
(SAC-30C)

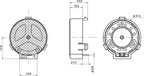
外径寸法図(size: φ31.5×14.8mm)
(SAC-30D)

- ※取付方法, 形状についてはお問い合わせください。
「技術情報」、「取り扱いに関する注意事項」については、当社製品に関する重要な設計情報などが記載されていますので、ご使用検討の際は必ず事前にお読みください。